Trending topics

IQD Frequency Products ICPT-1 image

IQD's ICPT-1 Atomic Clock


OCXO Oscillator IQOV-116

Product Highlight: OCXO IQOV-116


ultra-miniature IQXC-240 0.33 high

IQXC-240-Miniature Quartz Crystal


Sustainability & The Environment

IQD - Our Sustainable Future


All News

  • #DOCXO
  • #jitter
  • #OCXO
  • #oscillator
  • #quartzcrystal
  • #rubidium
  • #sustainability
  • #TCXO
AT-cut quartz crystals
  • #quartzcrystal

A Guide to AT-Cut Crystals

A Guide to AT-Cut Crystals

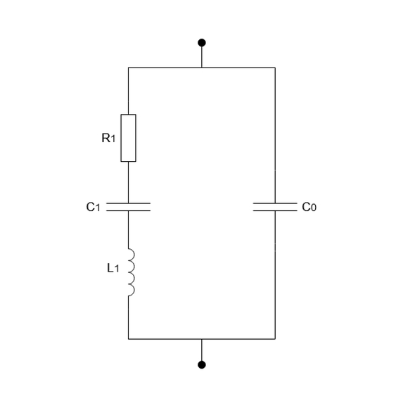
As long as a crystal does its job, most of us don't really care about how it's made or how it works.

CONTINUE READING

16.10.25
ultra-miniature IQXC-240 0.33 high
  • #quartzcrystal

IQXC-240-Miniature Quartz Crystal

IQXC-240-Miniature Quartz Crystal

IQD Frequency Products offers one of the world’s smallest quartz crystals, the IQXC-240, which measures just 1.2 x 1.0mm with a height of only 0.33mm.

CONTINUE READING

21.05.25
WE and IQD Free Webinars
  • #quartzcrystal
  • #oscillator

FREE Webinar: Capacitors & Crystals

Keeping The Rhythm: How Capacitor Selection Affects Crystal Accuracy Webinar

Keeping The Rhythm: How Capacitor Selection Affects Crystal Accuracy Webinar

FREE Webinar: Capacitors & Crystals

Keeping The Rhythm: How Capacitor Selection Affects Crystal Accuracy

CONTINUE READING

16.04.24
Reading time: 43 Min.
IQD Chipset Search image
  • #quartzcrystal

IQD Chipset Search

IQD Chipset Search

IQD has supplied frequency products to a great number of electronics design engineers over many years for use with a great variety of integrated circuit (IC) types and in reference designs.

CONTINUE READING

01.12.23
6 key parameters
  • #quartzcrystal

6 Parameters to Crystal Specification

6 Parameters to Crystal Specification

When it comes to designing and optimizing electronic circuits, specifying the right quartz crystal is a critical step that can significantly impact performance.

CONTINUE READING

17.08.23
back-to-basics additional parameters
  • #quartzcrystal

Back-to-Basics - Additional Parameters

Back-to-Basics - Additional Parameters

In the last blog, we looked into the main parameters to consider when designing-in a quartz crystal in your application.

CONTINUE READING

27.05.21
temp-behavior AT crystal
  • #quartzcrystal

Back-to-Basics-Specifying Quartz Crystal

Back-to-Basics-Specifying Quartz Crystal

Today the usage of timing devices increases with each new technological breakthrough.

CONTINUE READING

05.05.21