Was Sie über MHz-Quarze wissen müssen
Was Sie über MHz-Quarze wissen müssen
Quartz Crystals are used across the electronics industry to produce an accurate and stable frequency reference. Applications are numerous and varied, and include microprocessor timing, phase locked loops, analogue to digital sampling, communication timing and more.
Before quartz crystals, timing was derived from the decay of a capacitive change limited through a resistor, giving accuracy and stability of a few percent or tens of thousands of Parts Per Million (ppm). Due to the high Q factor, quartz crystals provide greatly improved accuracy and stability down to a few ppm.
Quartz crystal have a piezoelectric effect, meaning there is a coupling between electrical and physical motion; this property is also the cause of their resonant frequency. By placing this crystal in the feedback loop of an oscillator, a simple oscillation circuit can be made that will electrically resonate at a frequency dictated by the quartz shape.
Crystals can be made to run in their fundamental mode or an overtone mode. In most cases, crystals can run in their fundamental mode since this has the largest gain ratio and provides the most stable oscillation. For some higher frequencies, it is desirable to use a third, fifth or seventh overtone mode. Beyond the 9th overtone, it becomes impractical for crystals to operate effectively. To acquire overtone frequencies a high pass filter is placed in the feedback loop of the oscillator circuit to block the fundamental mode of oscillation.
The high pass filter starves the gain at the fundamental mode while allowing sufficient gain at the 3rd or any desired overtone. Gain is also referred to as negative-R and is required by the overtone mode to overcome its high resistance. Along with gain, the value of load capacitance is also important to achieve an overtone frequency (low load capacitance gives higher frequency and vice versa).
This application note is intended to provide guidance on the use of quartz crystals in timekeeping applications.
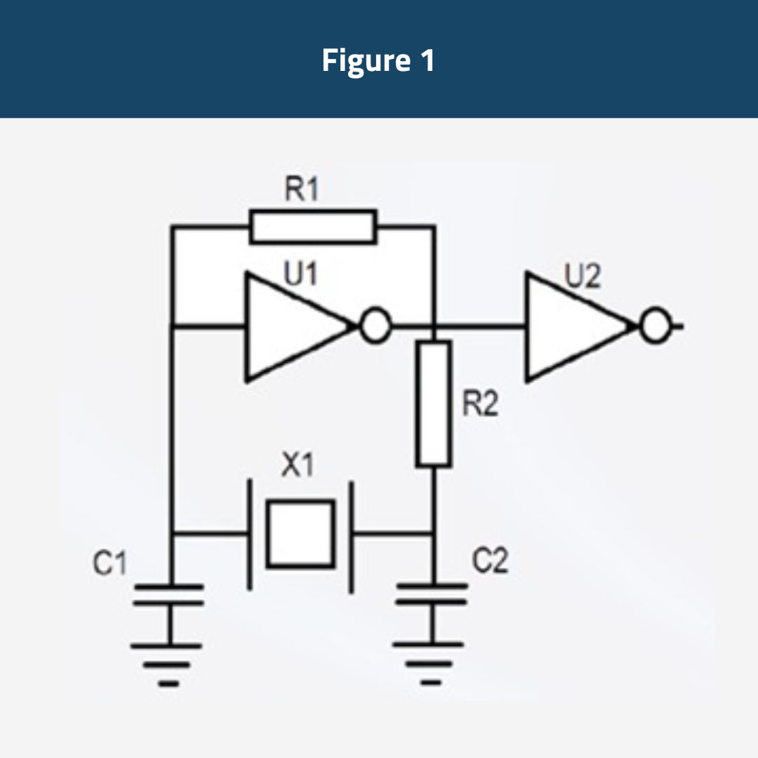
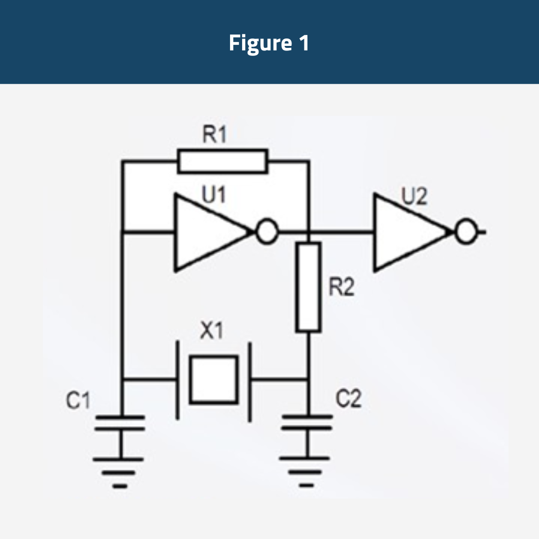
The standard circuit used to achieve oscillation of a crystal is the Pierce oscillator circuit (See Figure 1). Here, the crystal is placed in the feedback loop of an inverting amplifier (U1), which can be a simple inverting buffer with a resistor (R1) between the input and output to force the buffer to become a high gain amplifier. At resonance, the crystal’s capacitive and inductive impedance cancel out, leaving only the resistive impedance. This occurs at 180°C phase, it is for this reason that an inverting amplifier is necessary to achieve a 360°C phase shift in the feedback loop.
A further resistor (R2) is necessary to limit the current through the feedback loop. The circuit is very sensitive and therefore needs to be buffered (U2) from any external influence. The capacitors (C1 and C2), plus the stray capacitance of the PCB, along with the stray capacitance of the input and output pins of the buffers, must be added together. This combined value gives the capacitance element seen by the crystal, also known as the Capacitive Load (CL), which must equal the CL specified in the crystal data sheet. The correct way to add these values is as Figure 2.
Any discrepancy in CL will cause a frequency offset. Therefore, it is important that the values C1 and C2 are constant. For this reason, it is recommended to use NPO, COG, or similar low temperature coefficient capacitors.
This page details crystals for use in the MHz range, covering frequencies from 1 MHz to 250 MHz.
These components contains a quartz resonator cut from the original crystal bar at an angle of 35°15’ known as the AT-cut. The quartz resonator is plated with two electrodes, one on either side, and then mounted in a holder so that the quartz resonator is sealed from the atmosphere, but an electrical connection can be made. The vibration here occurs laterally in line with the electrodes and is known as a shear mode vibration (See Figure 3).
Package size
Crystals are available in many different package sizes. The package size determines frequency range and may affect the ESR.
Tolerance and Load condition
The frequency of a crystal is inversely proportional to its mass. For pure AT-cut crystals, the frequency can be found using the following formula: F(Hz)= 1680/T(m)
Where F= Frequency in Hertz T= Thickness in meters
During manufacturing, the mass of the crystal is adjusted to bring the final frequency within the tolerance required on the specification. To achieve the tight tolerances offered by quartz crystals, each crystal is mounted in a circuit with the specified CL value and then individually adjusted.
Stability and temperature range
The frequency of a crystal-based oscillator circuit will show a repeatable change with a change in ambient temperature. Crystals in the MHz range have been cut from the original crystal bar at an angle of 35o 15’, this cut is known as the AT cut and gives a frequency vs temperature change in the form of a cubic response (See Figure 4).
At the design stage, the cut angle is varied by a few seconds of a degree to optimize the frequency vs temperature behaviour of the crystal to best meet the specific requirements of the datasheet.
From this, it can be seen that temperature ranges within -20 to 70°C to allow for the tightest stabilities, while wider temperature ranges must include the two inflection points, thus requiring a different cut angle. It is also evident from this graph that some stabilities are not possible for a given temperature range.
Capacitive Load (CL) includes the stray PCB capacitance and the IC pin capacitance.
Full CL values must match that of a crystal specification (See Figure 5).
Stray Capacitance= pin stray of microprocessor and PCB stray viz. ~3 to 6pF (See Figure 6).
PCB Layout considerations
See Figure 7 for detailed layout.
Specification requirements
The following specifications are required to be able to quote the correct part:
Für weitere Informationen zu unseren Teilen oder für Hilfe bei Ihrem Design-in können Sie sich unter +44 (0) 1460 270200 an unser Vertriebsteam und das Application Support Team wenden oder unten auf „Kontakt“ klicken, um Ihre Anfrage einzureichen.
News
Blog
News
News
Blog
Products, News
Products, News
Products, News






