Warum Quarzkristalle nach wie vor eine zuverlässige Zeitreferenz sind
Warum Quarzkristalle nach wie vor eine zuverlässige Zeitreferenz sind
Since its introduction, the 32.768kHz miniature watch crystal has become the most popular time reference ever. This application note is intended to give some guidance as to the use of quartz crystals applications requiring a time source.
In almost all circumstances, designers will want to use simple logic gate oscillators for their applications for the sake of convenience and cost. The criteria normally applied to this type of design are that it should be accurate, low in cost and low in power consumption. Using a watch crystal and CMOS logic, all these criteria can be met.
In a CMOS oscillator circuit, power consumption rises with frequency, so it makes sense to reduce the operation frequency to a minimum; this is the reason for choosing 32.768kHz. Another way of reducing power consumption in a CMOS circuit is to decrease the value of any loads being driven. It is partly for this reason that watch crystals are designed to operate with typically a 12.5pF load, instead of the more usual 20 or 30pF. This choice is also influenced by: (a) if the CMOS employed runs out of steam at the low voltages used in watches unless a low crystal load capacitance is used; (b) to keep the crystal drive level low while maintaining an adequate inverter input voltage, and (c) to allow the use of a very tiny trimmer capacitor while still providing the necessary trimming range.
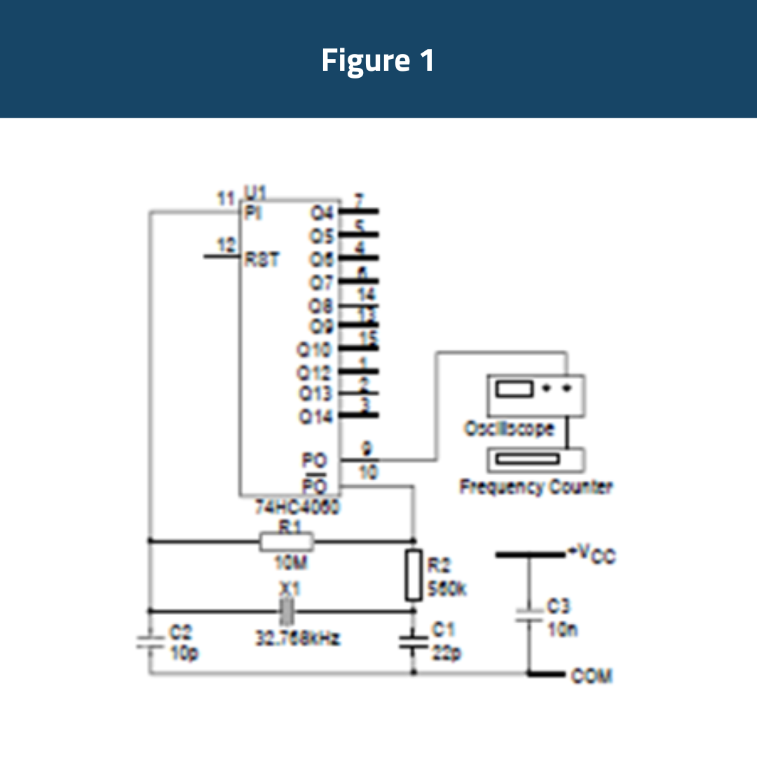
The basic requirements of a CMOS inverter oscillator can be met with a single gate and a handful of other components to provide bias and feedback. Figure 1 shows a typical circuit of this type. The load capacitance seen by the quartz crystal is the series combination of Cout and Cin together with any circuit strays, including the logic gate input and output pin capacitances.
The component values used in Figure 1 works well and gives a good correlation, with measured test results obtained from a Saunders 140 crystal impedance meter. The apparent load capacitance presented to the crystal as shown in image Apparent Load Capacitance presented to the Crystal.
Cout = Gate output capacitor
Cin = Gate input capacitor
If a trimmable oscillator is needed, the 22pF output capacitor can be replaced by a fixed 10pF capacitor in parallel with a 2pF to 22pF trimmer. For best results NP0, C0G or similar low- temperature coefficient dielectric capacitors should be used for best stability.
A frequently expressed requirement for oscillators, such as this, is close tolerance, often in layouts where no provision will be made for a trimmer. Besides the effect of capacitor tolerances, it must be appreciated that due to their low values, the somewhat variable impedances attributable to the IC will result in a somewhat uncertain phase shift, hence oscillation frequency.
A trimmer is recommended strongly, therefore, if precision better than, say ±50ppm is needed, regardless of the actual crystal tolerance.
The other important effect is that due to temperature variation. Watch crystals and other similar type of crystals below 1MHz have a parabolic frequency-temperature characteristic with a design turnover temperature of 25°C (see Figure 2).
The tolerance of the turnover temperature and the parabolic curvature constant, typically ±3°C and 0.038 ppm/°C respectively, mean that close tolerances can be maintained over only a limited temperature range. This is of little consequence in a watch, of course, since in use it is kept close to the crystal’s turnover temperature, but it could render the choice of this type of crystal less cost effective than an AT-cut unit if an operating temperature range wider than 0 to 50°C is desired.
A similar circuit for 4.194304MHz (32.768kHz x 27) AT-cut crystals is illustrated in Figure 3, C3 and C4 are intended to facilitate precise frequency trimming of crystals calibrated at the standard clock crystal load of 12pF. If trimming is not required, replace those capacitors with a 18pF or 22pF fixed unit (choose the value which results in oscillation closest to nominal frequency), or omit them altogether and specify the crystals for calibration at 30pF load.
Für weitere Informationen zu unseren Teilen oder für Hilfe bei Ihrem Design-in können Sie sich unter +44 (0) 1460 270200 an unser Vertriebsteam und das Application Support Team wenden oder unten auf „Kontakt“ klicken, um Ihre Anfrage einzureichen.
Blog
Products, News
Products, News
News
Blog
News
News
Blog




